高空作业平台
 首  页  产品中心 关于ROBT 客服中心 营销中心 技术与服务 新闻中心 联系我们
热门产品: 搬运车    高空作业平台    电动堆高车    电动叉车    电动牵引车    购物车:0
 
   脚踏式油桶搬运车(支腿可调) 您的当前位置:首页 >> 产品中心 >> 脚踏式油桶搬运车(支腿可调)   
 
BT00193
分享到:
 
产品描述   细节设计   视频展示   项目案例

•  重型设计,支腿可调;
•  符合人体工程学设计的油桶搬运车可起升、搬运、放置材质为聚丙烯、钢、纤维的油桶;
•  一个弹簧夹确保夹住任何有框的油桶;
•  装有转向驱动轮,便于定位;另外,装有带滚柱轴承的载轮以达到最高稳定性;
•  支撑腿可根据不同尺寸的托盘进行调节。可搬运55、85加仑的油桶。
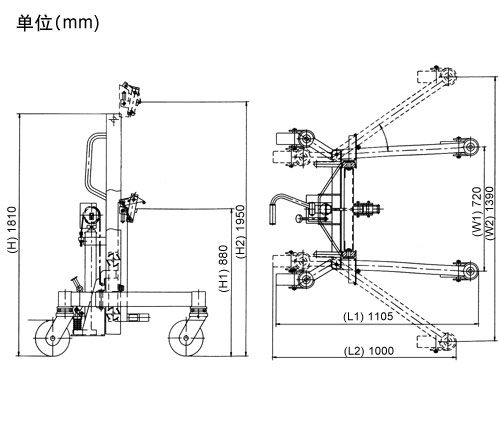
货 号 BT00193
额定载重 kg 400
起升高度 mm 1070
每冲程提升降高度 mm 116
尺寸 L1 mm 1105
L2 mm 1000
H mm 1810
H1 mm 880
H2 mm 1950
W1 mm 720
W2 mm 1390
适用油桶尺寸(Φ×高) mm Φ572×900(55加仑) / Φ800×900(85加仑)
前后轮尺寸(Φ×宽) mm Φ200×50
最大支腿宽度 mm 1390
净重 kg 100
适合油桶类型 闭口式钢制油桶

拨打服务热线:021-57703699转1,由客服为你服务!
为了更好的服务于客户,罗倍拓的客服代表可能要求您提供相应的联系方式.谢谢配合!
 
更多产品  
叨扣式手动翻转油桶车
叨扣式手动翻转油桶车
载重 400kg
提升高度 1530mm
净重 160kg
查看详情>>
可倾式手动液压油桶车
可倾式手动液压油桶车
额定载荷 350kg
起升高度 1425mm
整机重量 155kg
查看详情>>
机械推车式油桶搬运车
机械推车式油桶搬运车
最大承载450kg
适合油桶规格30/55加仑
外形尺寸1520×620×1500
净重28kg
查看详情>>
三轮推行式油桶搬运车
三轮推行式油桶搬运车
额定载荷400kg
适合油桶尺寸65加仑
适合钢制和塑料桶
查看详情>>
液压式油桶搬运车
液压式油桶搬运车
最大承载250kg
适合油桶规格55加仑
起升高度345mm
净重42kg
查看详情>>
抱箍式翻转型油桶搬运车
抱箍式翻转型油桶搬运车
最大承载300/364kg
适合油桶规格55加仑
净重45/50kg
查看详情>>
宽支腿液压式油桶搬运车
宽支腿液压式油桶搬运车
最大承载250kg
适合油桶规格55加仑
起升高度345mm
净重45kg
查看详情>>
起升较高型油桶搬运车
起升较高型油桶搬运车
最大承载300kg
适合油桶规格55加仑
鹰嘴夹最高高度1675/1640mm
净重72/68kg
查看详情>>
 
返回页头
 
 
热卖促销
[01] 搬运设备
[02] 堆高设备
[03] 电动叉车
[04] 内燃叉车
[05] 高空作业
[06] 升降平台
[07] 起重吊运
[08] 仓储设备
[09] 工位装备
[10] 清洁设备
[11] 环保节能
[12] 包装设备
[13] 称重设备
 
 
   
 
产品体系
高端设计
品牌策略
直销模式
品牌优势
租赁业务
持续发展
 
产品关建词
下载专区
视频展示
产品目录
公司资质
 
物料搬运知识
高空作业平台
起重设备知识
环保节能产品
工业安全知识
售后保养知识
 
服务概述
服务特点
客户价值
售后服务
展厅及OEM基地
行业应用
 
精选案例
出口案例
物流运输
服务行业
汽车行业
食品化工 更多>>